基于yabo鸭脖TX4210设计的DC-DC升压芯片DEMO说明

来源:yabo鸭脖 时间:2022-05-18

基于yabo鸭脖TX4210设计的DC-DC升压芯片DEMO说明


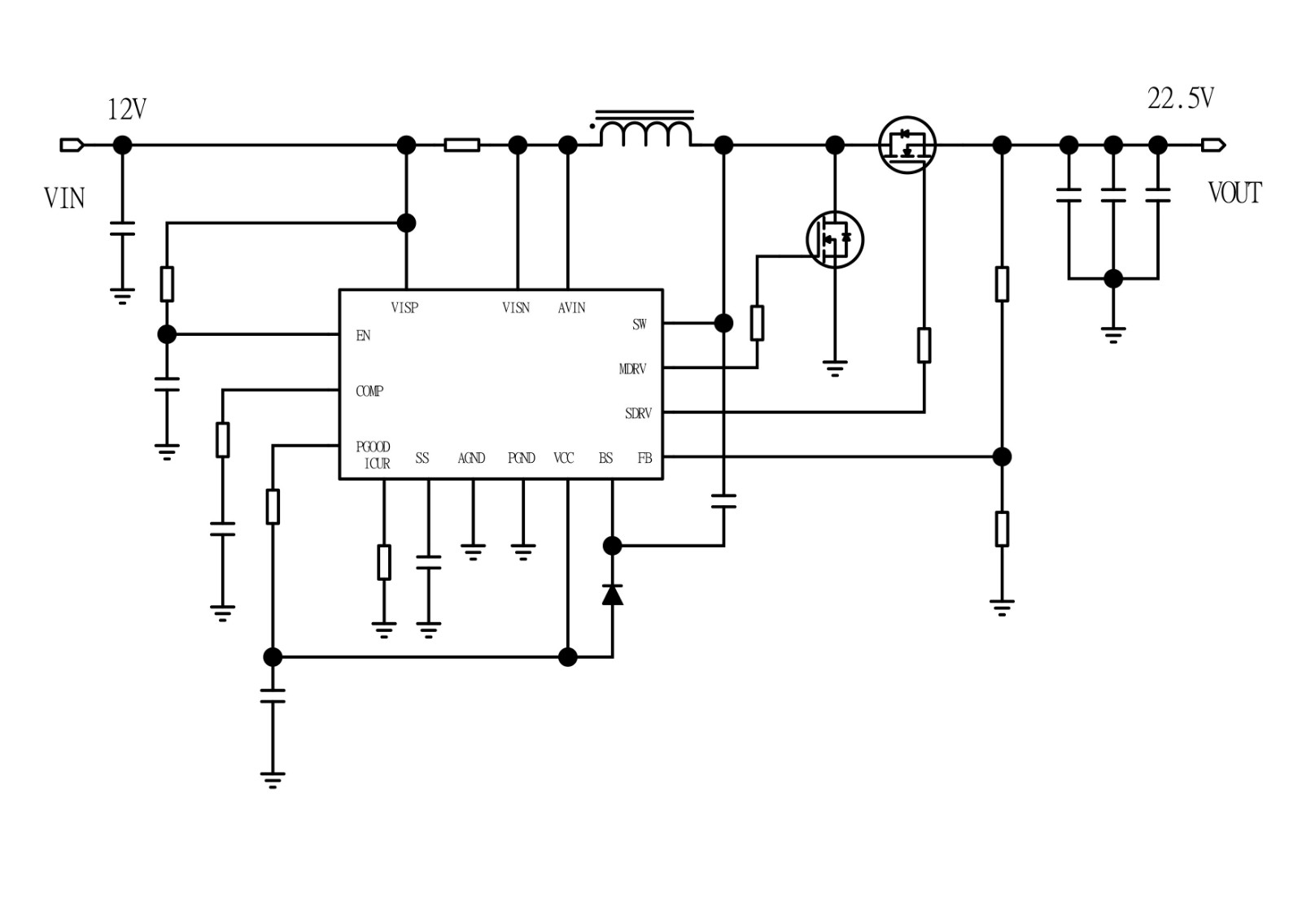
DC-DC升压芯片TX4210原理图

DC-DC升压芯片TX4210原理图


DC-DC升压芯片TX4210电路板

DC-DC升压芯片TX4210电路板


TX4210 DEMO 板实测数据 和 转换效率 参考

TX4210 DEMO 板实测数据 和 转换效率 参考


DC-DC升压芯片TX4210电路测量

DC-DC升压芯片TX4210电路测量

DC-DC升压芯片TX4210电路测量


    本 DEMO 为 TX4210 制作的演示板,用于 DC 输入 12V,输出电压22.5V,输出电流 3A 的应用演示,最高转换效率高达 96%。本电路固定工作频率是:390.6KHz。输出22.5V/3A 。