典型应用|汽车转向灯

来源:yabo鸭脖 时间:2022-04-24

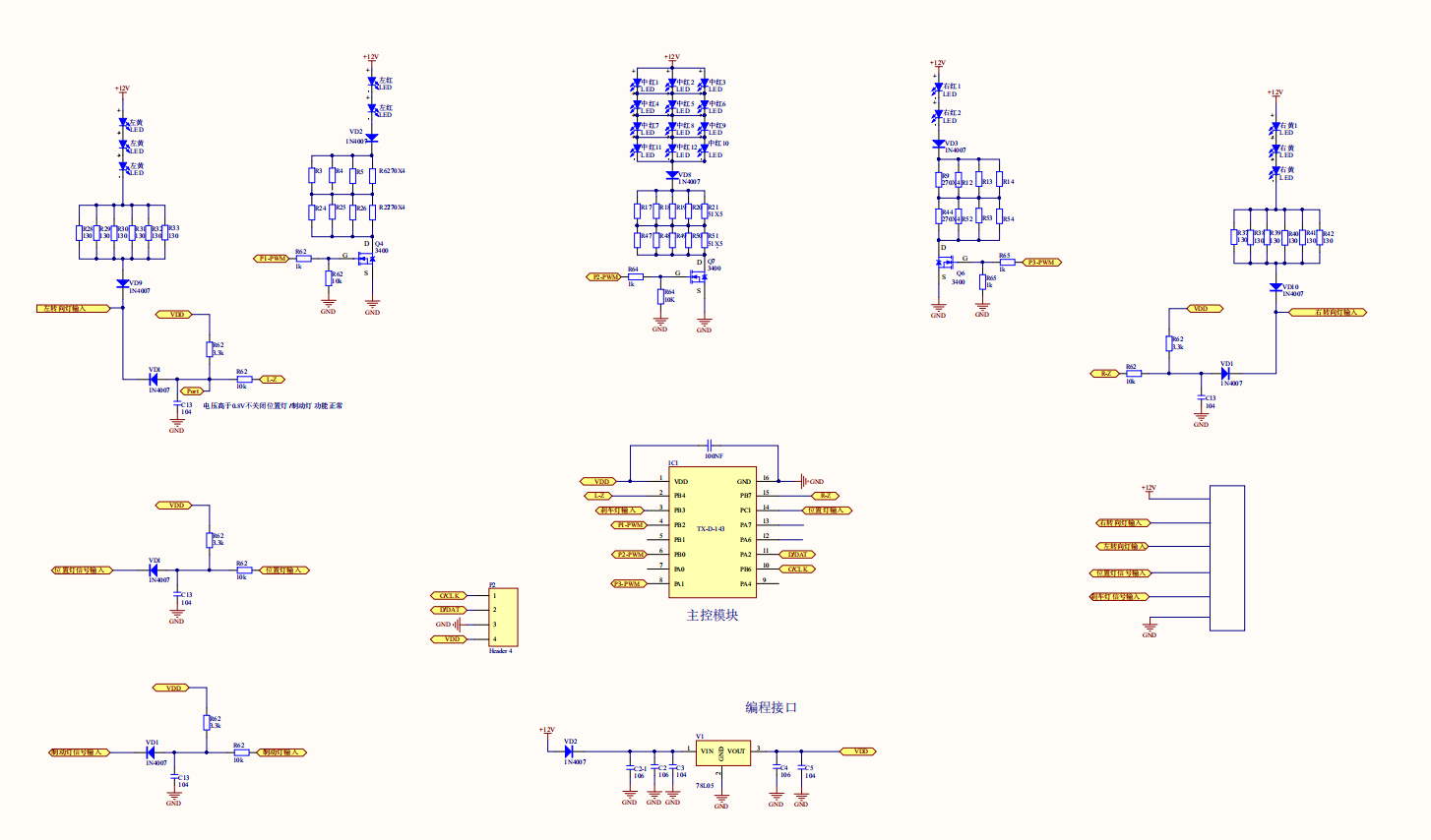
汽车转向灯测试板V1.0

转向灯运行原理图



功能描述:

       位置灯与制动灯分别分三块,左右位置灯中包含转向灯,由芯片单脚控制输出,左右位置灯、转向灯和制动灯可单独或同时点亮、熄灭。

       本方案通过微控制器多脚位同时通讯和输入/输出讯息反馈,具有低功耗、驱动延时短等优点。

技术参数:

       供电电压:12V;电流:500MA。


yabo鸭脖技术微信公众号二维码.jpg

更多内容请关注yabo鸭脖技术公众号



关键词: 汽车转向灯